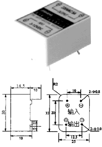
G 系 列 固 态 继 电 器
分     类
卧式微型固态继电器
卧式小型固态继电器
单列直插式微型固态继电器
特     点
体积小,易安装,可直接焊在线路板上,无需加散热器
外 形 编 号
V
X
L
外 观 尺 寸



控制电压
3-12VDC、3-32VDC
3-12VDC、3-32VDC
3-12VDC、3-32VDC
关闭电压
1.5VDC
1.5VDC
1.5VDC
控制电流
<25mA
<25mA
<25mA
启动电流
5mA
5mA
5mA
工作指示
可选
可选
可选



工作电压范围
30-280VAC 、30-480VAC
50VDC、110VDC、220VDC
30-280VAC 、30-480VAC
50VDC、110VDC、220VDC
30-280VAC 、30-480VAC
50VDC、110VDC、220VDC
工作电流
1-3A(AC)、1-5A(DC)
1-5A(AC)、1-8A(DC)
1-3A(AC)、1-5A(DC)
绝缘电压
≥2500V
≥2500V
≥2500V
保  护
过压:RC、MOV 过流:快速熔断器
通态压降
<1.5V(AC)、<1.3V(DC)
<1.5V(AC)、<1.3V(DC)
<1.5V(AC)、<1.3V(DC)
断态电流
<1mA(AC)、<0.05mA(DC)
<1mA(AC)、<0.05mA(DC)
<1mA(AC)、<0.05mA(DC)
工作电流安全系数
阻性负载:60% 感性负载:40%
冷却条件
自然风冷
自然风冷
自然风冷
 


JM系列电子计米器
型 号
JM20S
JM72SA
JM96S
JM175S
外形尺寸
37 x 89 x 100mm
72x72x 75mm
96x96x75mm
85x175x230mm
输入信号
接点信号或非接点信号(包括电信号,传感器信号等)高电平电压H:4V-30V,低电平电压 L:0-2V,输入阻抗≥4.7K
计数模式
加法
加法
加法、减法、可逆C
显示位数
6位LED
6位LED
双排6位LED
计数速度
30/1000次/秒
加减法2500次/秒,可逆加减法 1250次/秒
电  压
AC220V 50/60HZ (其它电压可根据用户要求定制)
计米步长
计米步长选择范围:0.0001 - 1.0000 m,分辨率为0.1mm 步长即为1个计数脉冲代表的长度
电源输出
12VDC 20mA
12VDC 60mA
12VDC 100mA
输出模式
N,F,C,R(C,R模式的复位时间从0.1秒到9.9秒可调节)
停电保持
10年
输  出
1组继电器
1组继电器控制输出;1组提前量输出
开孔尺寸
33 X 73 mm
68 X 68 mm
92 X 92 mm
台式安装
复位模式
面板,接线端,自动


上海巨龙电子有限公司版权所有
电话:021-58546028 58546029 58545987 传真:021-58545987
网址:http://www.jeelon.com 联系邮件:jeelon@jeelon.com
开户行:建行上海金桥支行 帐号:05576613020002935
地址:上海浦东金桥出口加工区金沪路1151号?? 邮政编码:201206

J系列累时器
产品型号
JMS3L
JMS6J-L
JM48L
自带电源累时器
累时器
累时器
外  形
外形尺寸
24 X 48 X 50 mm
48 X 96 X 112 mm
48 X 48 X 96 mm
累时范围
1秒-99时59分59秒(9999时59分59秒) 0.1时-99999.9时(9999999.9时)
1分-9999时59分(999999时59分) 1时-9999天23时(999999天23时)
1秒-999分59秒 1分-999时59秒
0.1分-9999.9分 0.1时-9999.9时
电  压
内部电源(电池),不需要外加电压
AC 220V 50/60HZ (其它电压可以根据用户要求定制)
电池寿命
6年
-------
停电保持
6年
10年
10年
开孔尺寸
22.5 X 45 mm
45 X 92 mm
45 X 45 mm
 
JM系列数字电流表、电压表、频率表
  JM3位数字电流表,数字电压表,数字频率表
  DIN48 x 96 mm 面板尺寸
  3位高亮LED显示,字高14.2mm
  可任意选择多种量程,使用方便
  双重积分A/D转换,精度为0.5%±1个字
  高性价比
JMS系列转速表、线速表
   
  转速表(JMS6J-Z),线速表(JMS6J-X)
  DIN48 X 96 mm 面板尺寸
  6位高亮LED显示,字高14.2mm
  线速表小数点自动移位
  重新设计、使用单格片精确测量低转速、线速
 
JMS系列智能温控仪
型 号
JMS1W
JMSG
JMSD
JMSA
外形尺寸
48X48X96mm
48X48X95mm
72X72X75 mm
96 X 96 X 75mm
输入信号
K型热电偶
热电偶:E、K、S、B、EA-2等 热电偶: Pt 100、Cu50
测量误差
≤1%±2度
≤±0.3%(F、S)±1度
控制方式
位式开关控制
位式开关控制、位式时间比例控制、位式PID控制
控制输出
继电器或电平输出
触点型:3A/250VAC(阻性负载),触点寿命≥10的五次方次;电平型(用于驱动SSR或控制逻辑电路)12VDC/30MA;固态继电器(SSR)型(用于驱动大功率可控硅):0.5A/250VAC
报警输出
----
触点型、触点容量:1A/250VAC(阻型负载)
电源电压
AC220V 50/60HZ
85-264VAC(开关电源)或187-224VAC(变压器电源)
抗干扰能力
≥3级(IEC-801)
使用环境
温度0-50℃,相对湿度≤85%、无腐蚀、无导电尘埃
停电保持
-----
20年
PID选 择
-----
PID参数选择范围:比例带宽 1-100% 积分时间0-3600秒 微分时间:0-1800秒
位式控制
-----
位式控制切换差选择范围:0.2 - 20℃
开孔尺寸
45 X 45 mm
68 X 68 mm
92 X 92 mm


上海巨龙电子有限公司版权所有
电话:021-58546028 58546029 58545987 传真:021-58545987
网址:http://www.jeelon.com 联系邮件:jeelon@jeelon.com
开户行:建行上海金桥支行 帐号:05576613020002935
地址:上海浦东金桥出口加工区金沪路1151号?? 邮政编码:201206

G 系 列 固 态 继 电 器
分     类
卧式微型固态继电器
卧式小型固态继电器
单列直插式微型固态继电器
特     点
体积小,易安装,可直接焊在线路板上,无需加散热器
外 形 编 号
V
X
L
外 观 尺 寸



控制电压
3-12VDC、3-32VDC
3-12VDC、3-32VDC
3-12VDC、3-32VDC
关闭电压
1.5VDC
1.5VDC
1.5VDC
控制电流
<25mA
<25mA
<25mA
启动电流
5mA
5mA
5mA
工作指示
可选
可选
可选



工作电压范围
30-280VAC 、30-480VAC
50VDC、110VDC、220VDC
30-280VAC 、30-480VAC
50VDC、110VDC、220VDC
30-280VAC 、30-480VAC
50VDC、110VDC、220VDC
工作电流
1-3A(AC)、1-5A(DC)
1-5A(AC)、1-8A(DC)
1-3A(AC)、1-5A(DC)
绝缘电压
≥2500V
≥2500V
≥2500V
保  护
过压:RC、MOV 过流:快速熔断器
通态压降
<1.5V(AC)、<1.3V(DC)
<1.5V(AC)、<1.3V(DC)
<1.5V(AC)、<1.3V(DC)
断态电流
<1mA(AC)、<0.05mA(DC)
<1mA(AC)、<0.05mA(DC)
<1mA(AC)、<0.05mA(DC)
工作电流安全系数
阻性负载:60% 感性负载:40%
冷却条件
自然风冷
自然风冷
自然风冷
 


上海巨龙电子有限公司版权所有
电话:021-51904385 51904386 51904387 51904388 传真:021-51904389
网址:http://www.jeelon.com 联系邮件:jeelon@jeelon.com
地址:上海浦东新区祝桥空港工业区金闻路39号    邮政编码:201323